加入收藏
|
联系我们
网站首页
公司简介
产品展示
产品知识
联系我们
加盟合作
产品栏目
框架万能断路器
ABB万能断路器
上海人民万能断路器
美国GE万能断路器
正泰万能断路器
高压真空断路器
贵州长征万能断路器
天水二一三万能断路器
北京人民万能断路器
精益黑猫万能断路器
上海华通万能断路器
天津百利万能断路器
上海三开万能断路器
环宇万能断路器
杭州之江万能断路器
巨霸万能断路器
施耐德万能断路器
常熟万能断路器
塑壳断路器
ABB塑壳断路器
上海人民塑壳断路器
正泰塑壳断路器
常熟塑壳断路器
施耐德塑壳断路器
交流接触器
ABB接触器
常熟接触器
上海人民接触器
正泰接触器
施耐德接触器
产品中心
首页
>
框架万能断路器
>
环宇万能断路器
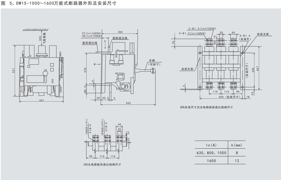
环宇DW15系列万能式断路器DW15-4000/4000A 热电磁式电动 AC220V
环宇DW15系列万能式断路器
商品介绍
分享到:
服务热线
18267770781
电子邮箱
409088512@qq.com
公司地址
乐清柳市经济开发区南22号
TOP